MADRID Calle Valdebernardo, 22 bajo
BARCELONA Carrer Muntaner, 49
ZARAGOZA Av. de Valencia, 5
HORARIO:
L - V 9:00 a 13:30 - 16:00 a 19:15 | S: 10:00 a 13:30
-

Todas las categorías
- Auto - Hogar - Ocio
- Audio - Video - DJ
- Cables y Conexiones
- Informática - Oficina
- CONECTIVIDAD INFORMATICA
- Kvm
- Conexiones USB
- Cables USB C - USB C
- Cables USB C - Micro/Mini USB Lightning
- Cables USB C - USB A / B
- Cables USB C - HDMI / DP
- Cables USB A USB A
- Cables USB A - USB B
- Adaptadores USB
- Conversores USB - RS232/485
- Conectores y Bases USB
- Docking Stations
- Hubs USB y Firewire
- Conexiones Firewire
- Cables USB A - micro/mini USB / lightning
- Cables USB - Jack / jack DC
- Extensores USB por RJ45
- Conectividad interna PC
- Conexiones Vídeo (VGA/DVI/HDMI/DP)
- Conexiones sub-D y PS2
- COMPONENTES INTEGRACION PC
- PERIFÉRICOS Y ACCESORIOS PARA PC
- ACCESORIOS NOTEBOOKS-SMARTPHONES-TABLETS
- SAIS Y MATERIAL ELECTRICO
- TELEFONÍA - VIDEOCONFERENCIA
- PUESTO DE TRABAJO - OFICINA - ACCESORIOS
- REDES
- CONECTIVIDAD INFORMATICA
- Seguridad - Emisoras
- Equipos de Taller
- Instrumentación
- Herramientas y equipos de taller
- Alicates - Pelacables
- Alicates de Crimpar - Insentar
- Destornilladores y llaves
- Pinzas - Tijeras - Cutters - Sierras
- Productos Quimicos/Sprays
- Maletas / Bolsas / Almacenamiento
- Material para prototipos PCB
- Herramientas varias
- Seguridad y Confort
- Herramientas Telefonía y Consolas
- Herramientas Inspeccion
- Herramientas Medicion
- Herramientas Eléctricas
- Protección antiestática - ESD
- Equipos de soldadura
- Instrumentación
- Fuentes de Energía
- Componentes Electrónicos
- Semiconductores
- Conversores
- Amplificadores / comparadores / timers
- Reguladores y referencias
- Circuitos de control / Drivers / Acondicionadores
- Circuitos audio / Video
- Sensores / Transductores
- Programadores /Kits desarrollo
- Puentes Rectificadores
- Memorias
- Accesorios para Semiconductores
- Módulos Discretos
- Diodos
- Transistores
- Triacs / Thyristores / Diacs
- C.I. Lógicos
- Micros / Periféricos
- Juegos de integrados
- Optoelectrónica
- Relés
- Cajas
- Pasivos
- Resistencias
- Resistencias SMD 1206
- Resistencias de Carbono 1/6W
- Resistencias de Carbono 1/4W 5%
- Resistencias de película metálica 1/4W 1%
- Resistencias de Carbono 1/2W
- Resistencias de Carbono 1W
- Resistencias de Carbono 2W
- Resistencias Bobinadas 4W
- Resistencias Bobinadas 8W
- Resistencias Bobinadas 15W
- Resistencias potencia caja aluminio 10W-25W-50W
- Resistencias SIP
- Resistencias DIL
- Juegos de resistencias
- METÁLICA DE 10W
- METÁLICA DE 25W
- METÁLICA DE 50W
- Condensadores
- Potenciómetros y Botones
- Varios
- Tansformadores - Inductancias
- Termistores (NTC / PTC)
- Varistores
- Cristales - Osciladores
- Resistencias
- Conectores
- Kits & Módulos
- Señalización
- Ventiladores - Refrigeración
- Fusibles
- Interruptores-Conmutadores-Pulsadores
- Interruptores & Pulsadores Antivandálicos
- Conmutadores de potencia
- Pulsadores EOZ
- Conmutadores deslizantes
- Setas parada seguridad
- Conmutadores fotoeléctricos y crepusculares
- Teclados
- Conmutadores rotativos
- Interruptores de nivel de líquidos
- Interruptores magnéticos - De bolas
- Interruptores para el hogar
- Interruptores térmicos
- Magnetotérmicos
- Microrruptores-Finales de carrera
- Microswitch DIL
- Pedales
- Capuchones
- Preselectores digitales-Conmutadores BCD
- Conmutadores Basculantes
- Pulsadores-Conmutadores a pulsación para chasis
- Conmutadores de llave
- Pulsadores circuito impreso / SMD
- Conmutadores de palanca
- Tornillería y separadores
- Ofertas, Liquidación & Outlet
- Semiconductores
- Robótica & Prototipos
- Arduino
- Raspberry Pi
- Micro:bit
- Accesorios
- Alimentación-Carga-Voltímetros & DC-DC
- Audio-Microfonos & Piezo
- Acelerometros-Giroscopios-Hall-Brujula
- Bluetooth & RFID-NFC & Wifi & RF & GPS
- Cables & Protos
- Conversores TTL & Adaptador USB
- Drivers & Control Motor
- Encoder & Reloj RTC
- Gas-CO2-Oxigeno & Salud
- Infrarrojos-Ultrasonidos & PIR
- Lentes-Camaras & Tarjeta SD
- Leds RGB & Neopixel
- Luz-Luxumetros & Laser
- Motores Paso a Paso
- Motores-Ruedas-Chasis & Accesorios
- Pantallas-LCD & Matrices
- Placas de Expansión & Shields
- Presión-Peso-Tactil & Huella
- Reles-Mosfet & SSR
- Sensores de Corriente
- Sensor & Bombas de Agua
- Servomotores
- Teclados-Pulsadores & Magneticos
- Temperatura-Humedad & Agua
- Vibradores & Zumbadores
- Varios
- Material Electrico
- Iluminacion
- Auto - Hogar - Ocio
Español
EUR €
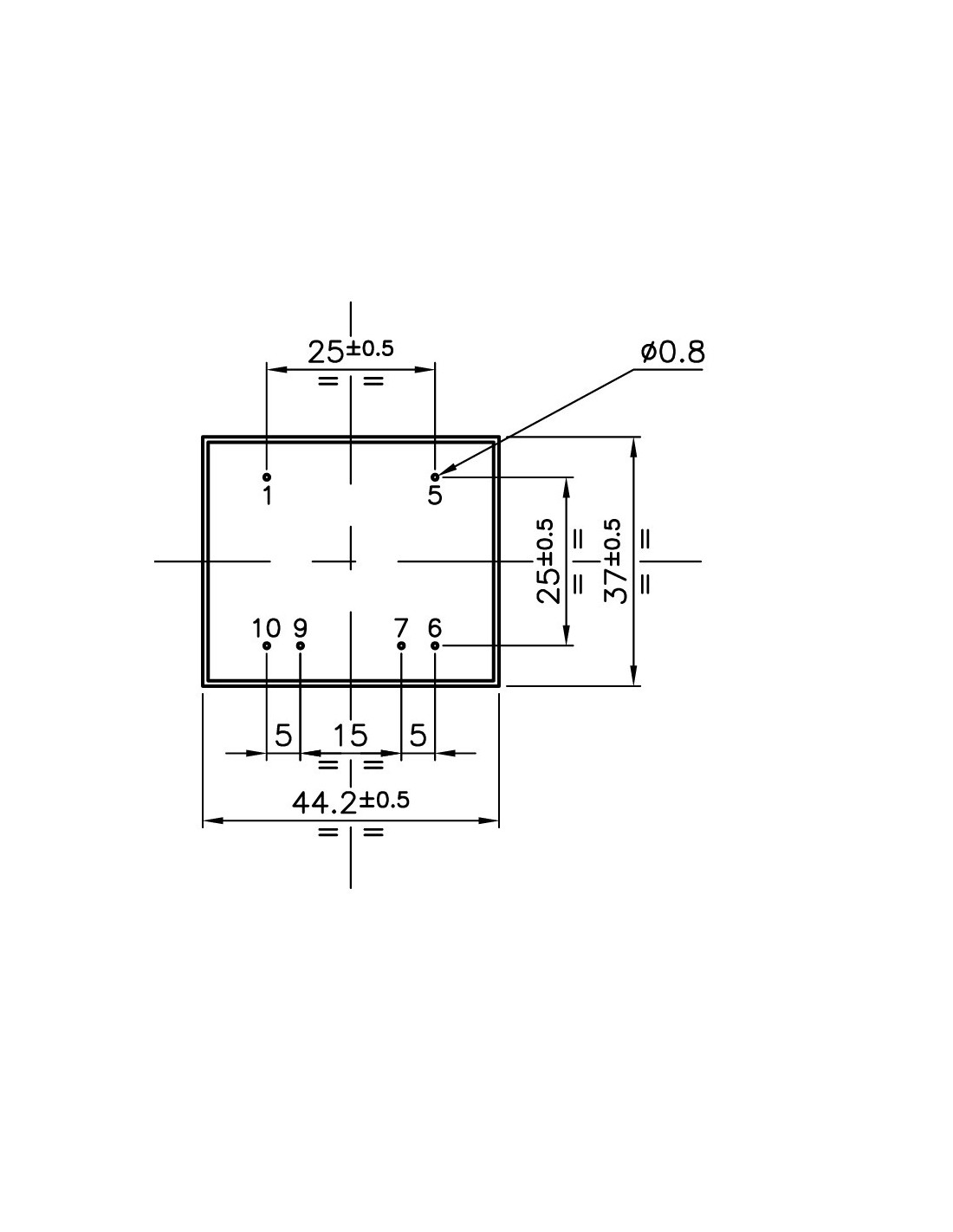
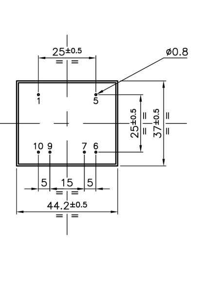
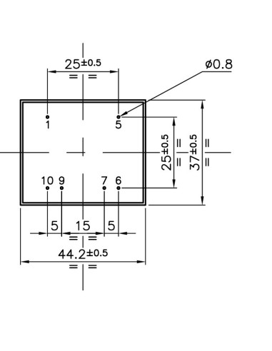
TRANSFORMADOR ENCAPSULADO PCB 2x6V 5VA 2x400mA
10,83 €
Impuestos incluidos
Compra Segura
Todos los datos de compra son encriptados y protegidosPolítica de entrega
Envío en 48/72 horasPolítica de devolución
14 días de devoluciónTRANSFORMADOR ENCAPSULADO PARA PCB.
ENTRADA: 230V~
SALIDA: 0-6V~ 400mA & 0-6V~ 400mA
DOBLE BOBINADO SECUNDARIO INDEPENDIENTE.
606005
99 Artículos
También podría interesarte
Los clientes también compraron
Los más vendidos
Novedades
LIMPIADOR E HIGIENIZANTE
Limpiadores, desengrasantes
10 uds. en stock
Repetidor HDMI 4K 60Hz con alimentación
Conexiones HDMI / mini HDMI / micro HDMI
Agotado
Nuestros servicios

Pagos 100% seguros
Todos tus datos serán encriptados y totalmente seguros.

Entrega rápida
Enviamos cada día nuestros pedidos para que los recibas cuanto antes.

Atención al cliente
En Diotronic garantizamos la mejor atención con nuestros clientes.